网站首页
产品中心
复合系列
金属系列
塑料系列
企业荣誉
企业资质
企业专利
新闻中心
询比价公示
招标公告
管业资讯
订单溯源
关于我们
企业简介
企业文化
生产基地
组织架构
发展历程
联系我们
全国热线
销售直连
新闻资讯
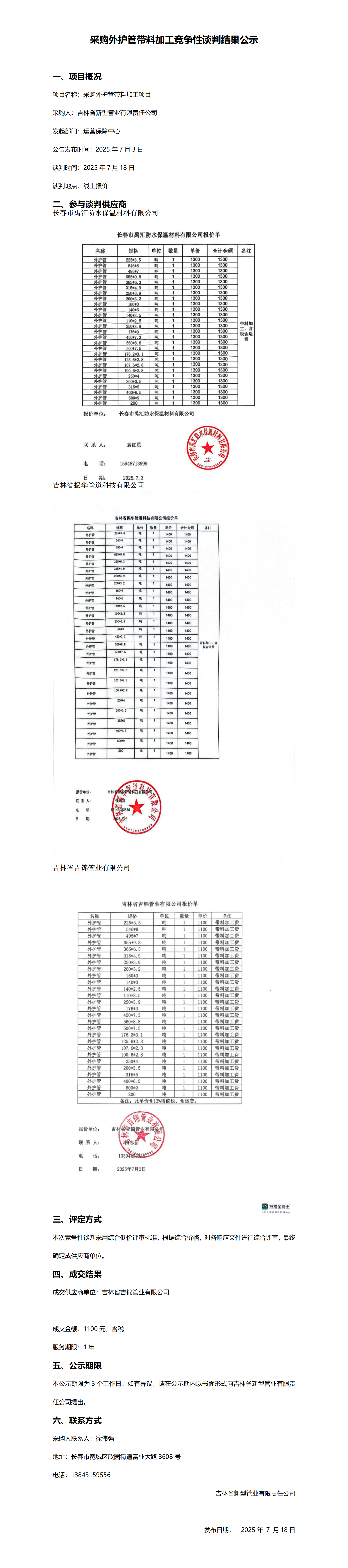
2025-07-18
上一页
采购热轧卷板竞争性谈判结果公示
采购杂品竞争性谈判结果公示
下一页
采购询价
我们将在您填写完以下采购单并提交后 15分钟 内与您取得联系。如有问题请拨打400电话人工服务。
我们将在您填写完以下采购单并提交后
15分钟 内与您取得联系。如有问题请拨打400电话人工服务。